The first All high school Battlebots Team
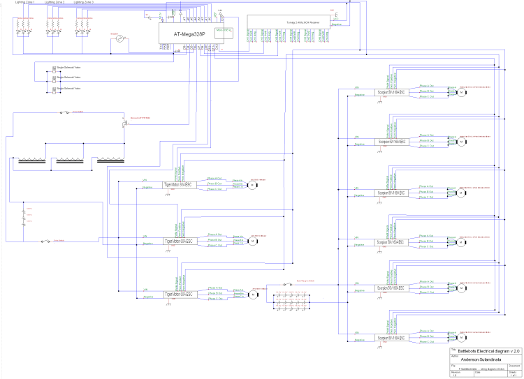
I served as the project manager for the first ever all highschool battlebots team to compete on Discovery Channel’s Battlebots. We designed a 250 pound full body spinner named shellshock, designed to be a heavy hitter. I would organize our schedule, and help coordinate meetings with sponsors to ensure the robot gets built. I would also design the electronics system, and do all the programming for our unique 3 wheeled “kiwi” drive: a first for Battlebots.








